>
Hyundai Equus: Description and Operation
| Description |

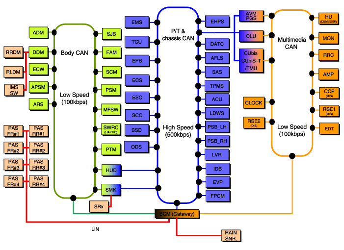
Refer to the "Body Network System" for the abbreviation information. |
| • |
Passive unlock via 4 doors |
| • |
Passive locking via4 doors |
| • |
Passive start |
| • |
Passive access trunk via the trunk lid switch at the trunk |
| • |
Passive locking via tailgate |
| • |
Max. 3 fobs can be handled by the system |
| • |
Immobilizer backup antenna driver integrated into SSB for TP authentication (i.e. limp home mode) |
| • |
Communication with engine management system |
| • |
Communication with SRX |
| • |
LF-RF communication |
| 1. |
Passive unlock
The system allows the user to access (unlock) the vehicle
without performing any actions with the SMART KEY FOB. This feature
could be different depending on platform as follows:
|
| 2. |
Passive locking
The system allows the user to lock the vehicle by pushing a button on door handle with the SMART KEY FOB. |
| 3. |
Button start
The system allows the user to switch the power modes (Off,
Accessory, Ignition), as well as to start and stop the vehicle’s
engine without performing any actions with the SMART KEY FOB. See Button
Engine Start system specification. |
| 4. |
LIMP HOME Mode
Additionally, the system offers so called “limp home
mode”, which is the user can operate all vehicle functions by pushing
the key into the SSB. |
| • |
Power supply |
| • |
Microcontroller with FLASH Memory |
| • |
Single Line Interface to SRX |
| • |
Single Line Interface to EMS |
| • |
Input stage |
| • |
LF antenna amplifier/driver |
| • |
CAN communication with BCM |
| • |
Passive functionality: receives LF-challenge and sends automatically RF response. |
| • |
Classic RKE function by action up to 4 push buttons. |
| • |
Transponder-functionality in case of a flat battery or a disturbed communication. |
| 1. |
Emitting LF Antennas:
Inductive antennas in and at the vehicle are used to
transform the current, driven by the SMK ECU antenna driver, into a 125
(or 134.2) kHz magnetic field, which is the carrier for the SMART KEY
challenge.
Three antennas cover the vehicle’s exterior: two antennas
in the Door Handles (DS and PS) cover the area around the doors; one
antenna in the rear bumper covers the area around the trunk or tailgate.
Up to three antennas cover the vehicle’s interior and the
trunk or tailgate interior: two in the passenger compartment and one in
the tailgate room or trunk. |
| 2. |
Bidirectional Immobilizer Antenna (for Limp Home):
The Immobilizer Backup Antenna is used for sending and
receiving data: it emits a magnetic field (125 - 135 kHz challenge) and
receives changes in the field strength (response of Transponder). |
| 3. |
External Receiver
The SMART KEY FOB’s response is received via the external
RF receiver, which is connected to the SMK ECU via a serial
communication Line.
The SMK ECU provides a connector pin for the serial communication Line. |
| Operation |
| Operating Range |
| • |
At least one door is unlocked and two_steps timer is not running or |
| • |
Two_steps timer is running and one of the push button except Front Left side is triggered |
|
| 1. |
Preconditions:
All terminals OFF & at least one door open & locking
status is not locked checked by SMK periodically every 100ms, as long as
CAN/LIN active. |
| 2. |
Event:
At least 1 door knob status changed from unlock to lock. |
| 3. |
SMK actions:
If no fob or no TP has been found, no action is required.
If any valid fob or valid TP has been found, SMK unlocks the
vehicle by sending a CAN Key Reminder unlock message with the fob
number.
If any valid fob has been found, SMK unlocks the vehicle by sending a CAN/LIN Key Reminder unlock message with the fob number. |
| 1. |
Preconditions:
All terminals OFF & any door (including trunk) open &
no FOB-IN & no locking status (checked by SMK periodically every
100ms, as long as CAN/LIN active) |
| 2. |
Vehicle action:
Closing last door or trunk with knobs locked state, or with a locking in progress |
| 3. |
SMK actions:
Before elapsing 500ms after the closing if all doors are locked then:
If no fob has been found, no action is required.
If any valid fob or valid TP has been found, SMK sends unlock command via CAN and activates ext. buzzer warning.
If any valid fob has been found, SMK sends unlock command via CAN/LIN and activates ext. buzzer warning. |
| 1. |
If terminal state is ACC or IGN and all doors are closed and
that user triggers a SMK lock, a search is started at the exterior of
the vehicle from the side of the trigger. |
| 2. |
If no valid Fob is found no action is required, but if a valid Fob is found then a Buzzer warning shall be started. |
| 3. |
If "b_TailgateOption == On" and "b_TailgateLockUnlockOption
== On" are fullfilled, Lock warning is including tailgate as a door and
tailgate lockunlock knob as a door unlock switch. |
| 1. |
If terminal state is OFF and not all doors are closed and
that user triggers a SMK lock, a search is started at the exterior of
the vehicle from the side of the trigger. |
| 2. |
If no valid Fob is found no action is required, but if a valid Fob is found then a Buzzer warning shall be started. |
| 3. |
If "b_TailgateOption == On" and "b_TailgateLockUnlockOption
== On" are fullfilled, Lock warning is including tailgate as a door and
tailgate lockunlock knob as a door unlock switch. |
| 1. |
If terminal state is OFF and ATWS is considered as Disarmed
and all doors are closed and that user triggers a SMK lock, a search is
started at the Interior of the vehicle; |
| 2. |
if no valid Fob is found the search for SMK locking will be
started, but if a valid Fob is found then a Buzzer warning shall be
started. |
| 3. |
If "b_TailgateOption == On" and "b_TailgateLockUnlockOption
== On" are fullfilled, Lock warning is including tailgate as a door and
tailgate lockunlock knob as a door unlock switch. |
| 1. |
If terminal state is ACC or IGN and vehicle speed is less
than 3km/h, a periodic search (every 3s) is done at the interior of the
vehicle to check that the valid fob is still in the in the vehicle. |
| 2. |
If no valid Fob is found a Warning is started, but if a valid Fob is found then no action is started. |
| • |
Unlocking / locking of doors or trunk (or tailgate depending of the vehicle configuration): use of mechanical key |
| ID OUT Warning |
| 1. |
Preconditions:
|
| 2. |
Event:
The last opened door is closed |
| 3. |
SMK action:
SMK searches for a SMART KEY FOB in the interior.
|
If there is a LF error (LF overheating or LF antenna
failure), the system will have the same behavior as it is with no fob
found. |
| - |
SMK replacement: SMK is not learnt and SMART FOB are already learnt with same PIN code |
| - |
Additional or new keys teaching: SMK are already learnt with same PIN code |

| • |
It is for starting at virgin condition |
| • |
All related parts are virgin condition (Smart key, ECM) |
| • |
Press brake pedal in P or N range |
| • |
Push the start button once with virgin smart key. |

Components and Components Location
Smart Key Repair proceduresGauges
Speedometer
The speedometer indicates the speed of the vehicle and is calibrated in miles
per hour (mph) and/or kilometers per hour (km/h).
✽ NOTICE
On the "User Settings Mode" ...
Wheel alignment and tire balance
The wheels on your vehicle were aligned and balanced carefully at the factory
to give you the longest tire life and best overall performance.
In most cases, you will not need to have your wheels al ...
Fuel Sender Assembly Repair procedures
Removal
1.
Turn the ignition switch OFF and disconnect the battery negative (-) cable.
2.
"Release the residual pressure in fuel line.
(Refer to Fuel Delivery System -""Release Residual Pres ...