>
Hyundai Equus: Starter Schematic Diagrams
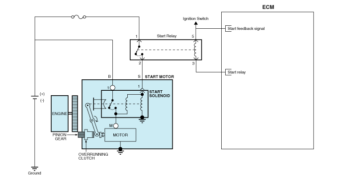
| Circuit Diagram |

Starter Components and Components Location
Starter Repair proceduresTiming Chain Components and Components Location
Components
1. Timing chain upper cover2. Timing chain upper cover gasket3. CVVT assembly4. Camshaft5. Timing chain lower cover6. Timing chain lower cover gasket(#1)7. Timing chain lower cover gas ...
Heater Control Unit Components and Components Location
Control Panel
Component
Connector Pin Function
Pin No.Connector AConnector B1GroundIgnition 22-FET (Gate)3Mode Control Actuator (Vent)FET (Drain Feedback)4Mode Control Actuator (Defrost)Sen ...
Passenger Airbag (PAB) Module Description and Operation
Description
The passenger airbag (PAB) is installed inside the crash pad
and protects the front passenger in the event of a frontal crash. The
SRSCM determines if and when to deploy the PAB.
...