>

Hyundai Equus: Rear Glass Defogger Timer Repair procedures - Rear Window Defogger - Body Electrical System - Hyundai Equus VI 2009-2026 Service ManualHyundai Equus: Rear Glass Defogger Timer Repair procedures

Inspection
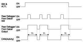
While operating the components, check whether the operations are normal as shown in the timing chart.
1.
Once ALT "L" is ON, if the defogger is switched ON, the defogger will stay ON for 20 minutes duration.
2.
If defogger switch is pressed again (see Step 1), or if ignition is switched OFF, the defogger will shut OFF.

T1 : 20 ± 1 min.
    Rear Glass Defogger Relay Repair procedures
    Inspection 1. Disconnect the negative (-) battery terminal. 2. Remove the rear glass defogger relay (A) from the engine room relay box. 3. There should be continuity between the No.87 and ...

    Power Trunk Module
    ...

    See also:

    Receiver-Drier Repair procedures
    Replacement 1. Remove the condenser. 2. Remove the cap (B) on the bottom of the condenser with a L wrench (A). Tightening torque : 2.7 ~ 3.1 N.m (0.28 ~ 0.32 kgf.m, 2.0 ~ 2.3 lb-ft) ...

    Battery Sensor Repair procedures
    Removal 1. Disconnect the battery negative (-) cable. 2. Disconnect the battery sensor connector (A). 3. Remove the battery negative (-) cable after removing the bolts (B). Installation ...

    General Information
    General The supplemental restraint system (SRS) is designed to supplement the seat belt to help reduce the risk or severity of injury to the driver and passenger by activating and deploying the ...

    Categories

    Hyundai Equus Manuals

    © 2011-2026 Copyright www.heqmanual.com