>
Hyundai Equus: Electronic Active Headrest Schematic Diagrams
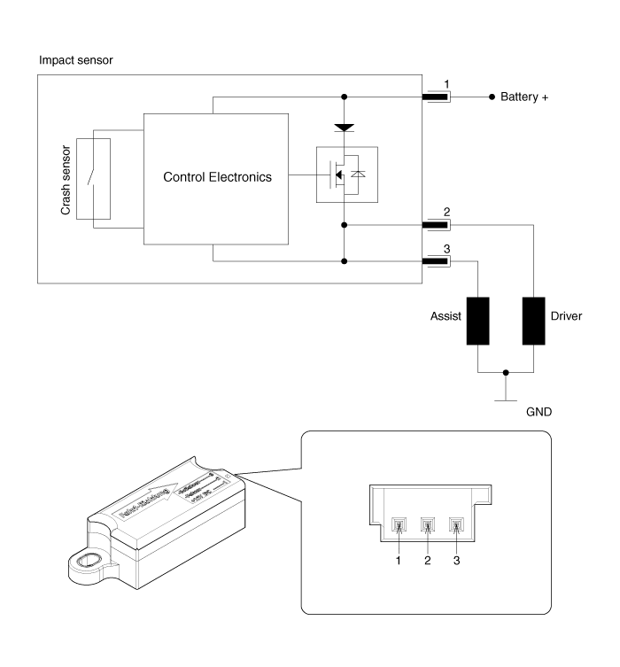
| Circuit Diagram |

Electronic Active Headrest Components and Components Location
Electronic Active Headrest Repair proceduresPower Window Motor Repair procedures
Inspection
Front Power Window Motor
1.
Remove (-) negative battery terminal.
2.
Remove the front door trim.
(Refer to Body - "Front Door")
3.
Disconnect the motor connector from the mot ...
Description and Operation
Description
The smart cruise control system allows a driver to program
the vehicle to control the speed and following distance detecting the
vehicle ahead without depressing the brake pedal and ...
Low aspect ratio tire (if equipped)
Low aspect ratio tires, whose aspect ratio is lower than 50, are provided for
sporty looks.
Because the low aspect ratio tires are optimized for handling and braking, it
may be more uncomfortable ...