You can up & down rear curtain automatically by pressing
the rear curtain switch. Rear curtain protect passenger from a direct
ray of light by covering rear glass.
|
The rear curtain provides shade for the rear seat passengers and can be raised or lowered by using the rear curtain switch. |
| 1. |
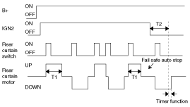
AUTO UP/AUTO DOWN function
| (1) |
IGN ON, if you press the rear curtain switch, rear curtain
motor operates the reverse direction of the before direction. (UP/DOWN) |
| (2) |
After replacing battery, if you operates rear curtain switch, rear curtain is operated auto up. |
| (3) |
If the switch input occurred during rear curtain auto up or
auto down, rear curtain is operated to the reverse direction after
making a pause. |
| (4) |
AUTO function stop when detect an excess current. |
|
| 2. |
TIMER function
| (1) |
It can be possible to operate rear curtain for 30 sec after IGN OFF. |
| (2) |
It can be possible to operate rear curtain operation by the
end of motor operation although timer is finished during auto up/ down. |
|
| 3. |
FAIL SAFE function
If motor operation doesn't stop more than 10 sec after starting, motor is stopped by inner relay auto OFF. 
T1 : MAX 10 sec,
T2 : 30 sec. |
| 4. |
RETROGRESSION GEARING function
| (1) |
When, rear curtain motor IGN ON, rear curtain UP and shift
lever "R" position, rear curtain motor linked with the signal makes auto
down. |
| (2) |
When the vehicle speed is above 20 km/h from 1) condition,
rear curtain motor linked with the signal makes auto up. Only, the motor
does not operate below 20 km/h. |
| (3) |
When shift lever position will be changed from R to P from 1)
condition, rear curtain motor linked with the signal makes auto up.
Only, the case where the driver presses the knock-down switch is
excepted. |
| (4) |
To the case where the driver presses the down switch from
rear curtain up condition motor does not do a retrogression gearing
operation and the up return operation due to a vehicle speed. After
that, when driver presses the switch and the motor becomes auto up, the
retrogression gearing operation is possible again. 

|
|
Component Location
1. Rear curtain2. Rear curtain switch (Floor console upper cover)3. Body Control Module (BCM)4. Rear seat curtain switch5. Rear door curtain6. Rear door module
...
Inspection
Connect the battery voltage and check the rear curtain motor
rotation. If the motor does not operate properly, substitute with a
known-good rear curtain motor and check for proper op ...
See also:
High Mounted stop lamp Repair procedures
Removal
1.
Disconnect the negative (-) battery terminal.
2.
Remove the rear package trim (A).
(Refer to Body - "Interior trim")
3.
Remove the high mounted stop lamp (A) after removing sc ...
Troubleshooting
Troubleshooting
•
The battery must be in good condition and fully charged for this troubleshooting.
...
Troubleshooting
Troubleshooting
•
Check the fuel pressure after replacing parts.
(Refer to Fuel Delivery System - "Release Residual Pressure in Fuel Line")
...