>
Hyundai Equus: Components and Components Location
| Components (1) |
| [5:5 Seat] |

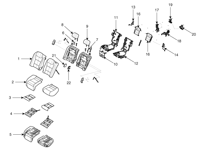
| 1. Rear seat back cover 2. Rear seat cushion cover 3. Rear cushion sponge 4. Rear seat cushion dfroster 5. Rear seat cushion 6. Rear seat headrest guide [RH] 7. Rear seat headrest guide [LH] 8. Rear seat headrest [RH] 9. Rear seat headrest [LH] 10. Leg support assembly 11. Rear seat back frame assembly [RH] | 12. Rear seat back frame assembly [LH] 13. Air blater lumber support wiring harness [RH] 14. Air blater lumber support wiring harness [LH] 15. Air blater lumber support assembly [RH] 16. Air blater lumber support assembly [LH] 17. Rear back duct & plate assembly [RH] 18. Rear back duct & plate assembly [LH] 19. Rear headrest power up / down module [RH] 20. Rear headrest power up / down module assembly [LH] 21. Rear seat air intake grill [LH] 22. Rear seat air intake grill [RH] |
| Components (2) |
| [6:4 Seat] |

| 1. Rear seat cushion cover 2. Rear cushion sponge 3. Rear seat cushion dfroster 4. Rear seat cushion 5. Rear seat back assembly | 6. Rear seat back frame assembly 7. Rear back duct plate assembly [RH] 8. Rear back duct plate assembly [LH] 9. Rear headrest power up / down module assembly |
Rear Seat
Rear Seat Assembly Components and Components LocationHeater & A/C Control Unit Components and Components Location
Component
Connector Pin Function
Pin No.Connector A Function1Ground2Rheostat (Illumination -)3Rear Defog Switch4-5Detent Out (+)6HTD 7Illumination + (Tail)8-9Ground10-11Climate CAN High12 ...
Recommended cold tire inflation pressures
All tire pressures (including the spare) should be checked when the tires are
cold. “Cold Tires” means the vehicle has not been driven for at least three hours
or driven less than one mile (1. ...
Rain Sensor Schematic Diagrams
Circuit Diagram
...