>
Hyundai Equus: Schematic Diagrams
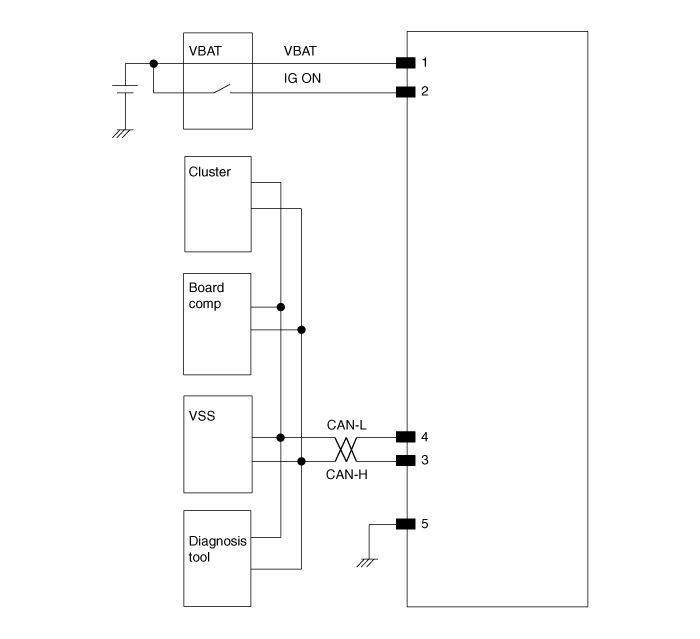
| Circuit Diagram |

| NO. | Function |
| 1 | BAT. |
| 2 | IGN |
| 3 | CAN_High |
| 4 | CAN_Low |
| 5 | GND |
| 6 | - |
Components and Components Location
Description and OperationOwner maintenance precautions
Improper or incomplete service may result in problems. This section gives instructions
only for the maintenance items that are easy to perform.
As explained earlier in this section, several procedu ...
Fuel Filter Repair procedures
Removal
1.
Turn the ignition switch OFF and disconnect the battery negative (-) cable.
2.
Release the residual pressure in fuel line.
(Refer to Fuel Delivery System -"Release Residual Pressu ...
Repair procedures
Adjustment
Glass Adjustment
•
Check the glass run channel for damage or deterioration, and replace them if necessary.
1.
Remove the front door trim.
(Refer to F ...