>
Hyundai Equus: Instrument Cluster Schematic Diagrams
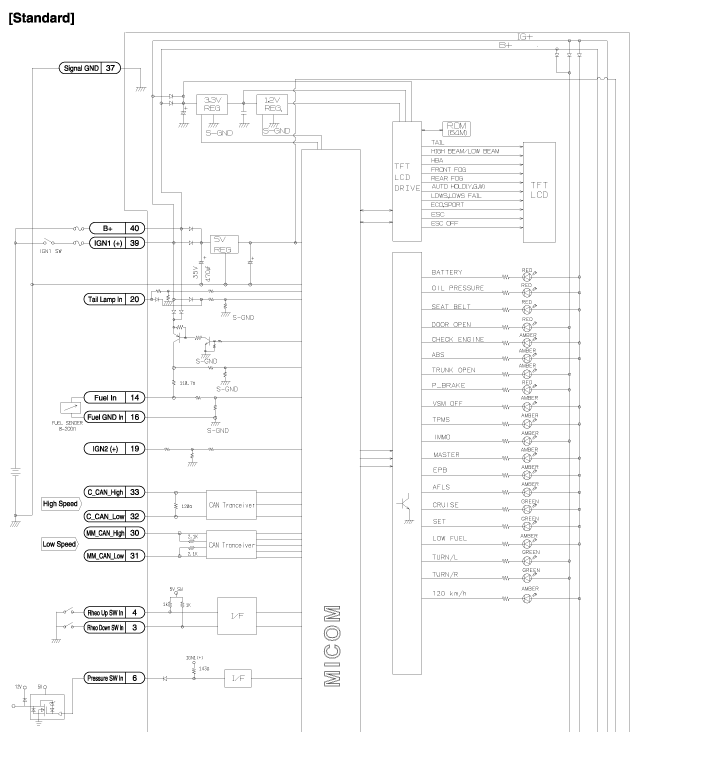
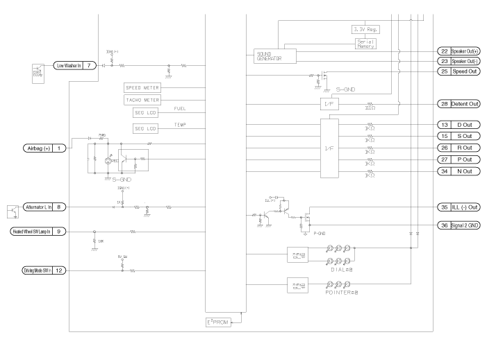
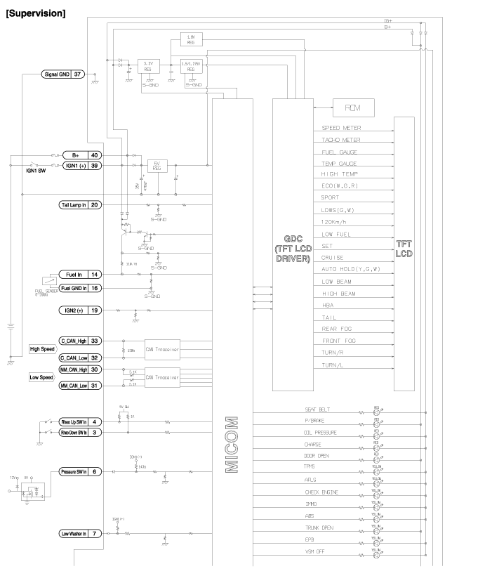
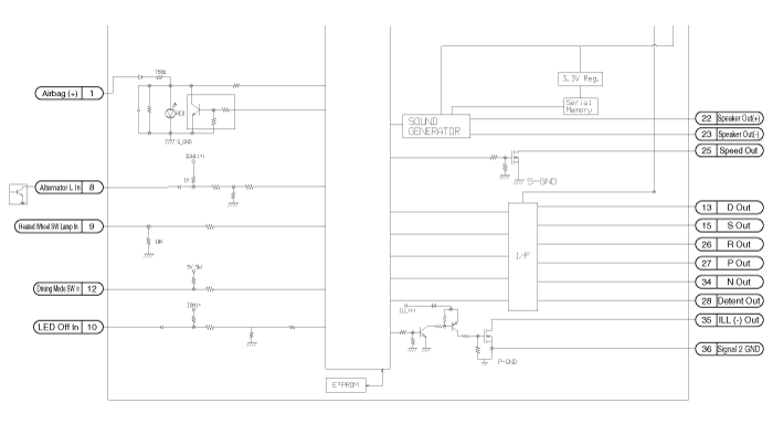
| Circuit Diagram |




Instrument Cluster Components and Components Location
Instrument Cluster Description and OperationDriver's attention
The driver must be cautious in the below situations for the system may not assist
the driver and may not work properly.
The lane is not visible due to snow, rain, stain, a puddle or many other
...
Front Area Module(FAM) Description and Operation
Description
FAM (Front Area Module)
The FAM includes the functions for the following list :
-
Wiper control (Rain sensor communication and transfer Rain sensor request information to Wiper modu ...
Electric Parking Brake (EPB) Components and Components Location
Components
1. EPB2. Bracket No.13. Bracket No.24. EPB Extension wiring harness5. Parking brake cable
...