>
Hyundai Equus: VSM OFF Switch Schematic Diagrams
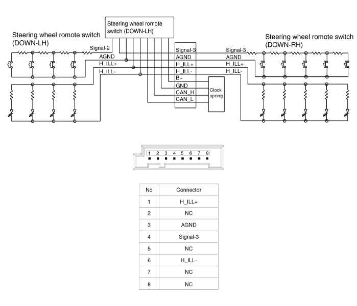
| Part Circuit Diagram |

VSM OFF Switch Components and Components Location
VSM OFF Switch Repair proceduresSpecifications
Specifications
Front air strut
ItemsSpecificationAir spring volume at design position1.78xMaximum other bellow diameter118 mmBurst pressure31.5 barMinimum operating temperature-40°CMaximum operat ...
Illuminated Engine Start/Stop Button
Whenever the front door is opened, the Engine Start/Stop Button will illuminate
for your convenience. The light will go off after about 30 seconds when the door
is closed. ...
2. Evaporative emission control (including ORVR: Onboard Refueling Vapor Recovery)
system
The Evaporative Emission Control System is designed to prevent fuel vapors from
escaping into the atmosphere.
(The ORVR system is designed to allow the vapors from the fuel tank to be loaded
into ...