>

Hyundai Equus: Repair procedures - Rear Door - Body (Interior and Exterior) - Hyundai Equus VI 2009-2025 Service ManualHyundai Equus: Repair procedures

Adjustment
Glass Adjustment
   
•
Check the glass run channel for damage or deterioration, and replace them if necessary.
1.
Remove the rear door trim.
(Refer to Rear Door - "Rear Door Trim")
2.
Carefully adjust the glass (A) until you can see the screws, then loosen them. Separate the glass from the glass run and carefully pull the glass out through the window slot.

3.
Check that the glass moves smoothly.
Door Striker Adjustment
   
•
Make sure the door latches securely without slamming it. If necessary adjust the striker (A): The striker nuts are fixed. The striker can be fine adjusted up or down, and in or out.
1.
Loosen the screws (B) just enough for the striker to move.

Tightening torque :
(B) : 16.7 ~ 21.6 N.m (1.7 ~ 2.2 kgf.m, 12.3 ~ 15.9 lb-ft)

2.
Tap on the striker with a plastic hammer to adjust the striker. The striker will not move much, but will give some adjustment.
3.
Hold the outer handle out, and push the door against the body to be sure the striker allows a flush fit. If the door latches properly, tighten the screws and recheck.
Door Position Adjustment
   
•
After installing the door, check for a flush fit with the adjacent body panels, then check for equal gaps between the front, rear, and bottom, door edges and the body. Check that the door and body edges are parallel. Before adjusting, replace the mounting bolts.
1.
Check that the door and body edges are parallel.

2.
Place the vehicle on a firm, level surface when adjusting the doors.
3.
Adjust at the hinges (A):
A.
Loosen the door mounting bolts slightly, and move the door in or out until it aligns flush with the body.
B.
Loosen the hinge mounting bolts slightly, and move the door backward or forward, up or down as necessary to equalize the gaps.
C.
Place a shop towel on the jack to prevent damage to the door when adjusting the door.

(B) : 21.6 ~ 26.5 N.m (2.2 ~ 2.7 kgf.m, 15.9 ~ 19.5 lb-ft)
(C) : 33.3 ~ 41.2 N.m (3.4 ~ 4.2 kgf.m, 24.6 ~ 30.4 lb-ft)

4.
Grease the pivot portions of the hinges indicated by the arrows.
5.
Check for water leaks.
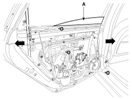
    Components and Components Location
    Components 1. Door panel2. Door module3. Outside handle4. Window glass5. Door striker6. Power window motor 7. Door speaker8. Door checker9. Outside handle cover10. Outside handle pad11. Door str ...

    Rear Door Trim Components and Components Location
    Component Location 1. Rear door trim ...

    See also:

    Seat Belt Buckle Switch (BS) Repair procedures
    Removal 1. Disconnect the battery negative cable, and wait for at least three minutes before beginning work. 2. Remove the front seat assembly. (Refer to Body - "Front Seat Assembly") 3. ...

    Description and Operation
    Description You can up & down rear curtain automatically by pressing the rear curtain switch. Rear curtain protect passenger from a direct ray of light by covering rear glass.   ...

    Overview
    Description The trip computer is a microcomputer- controlled driver information system that displays information related to driving. ✽ NOTICE Some driving information stored in the trip co ...

    Categories

    Hyundai Equus Manuals

    © 2011-2025 Copyright www.heqmanual.com