>
Hyundai Equus: Schematic Diagrams
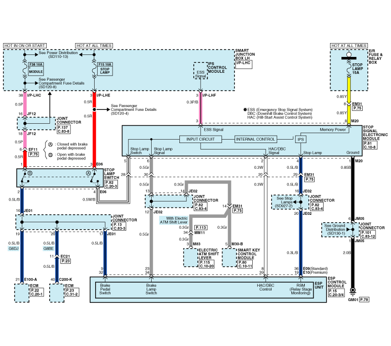
| ESP Circuit Diagram |





| ESP Connector Input/Output |
| [Standard] |

| [Premium] |

| Connector Terminal | Specification | ||
| Pin No | Description | ||
| Standard | Premium | ||
| 29 | 31 | IGNITION1(+) | High level of wake up voltage : 4.5V < V < 16.0V Low level of wake up voltage : V < 2.4V Max. current : I < 50mA |
| 25 | 1 | POS. BATTERY 1. (SOLENOID) | Over voltage range : 17.0 ± 0.5V Operating voltage range : 10.0 ± 0.5V < V < 16.0 ± 0.5V Low voltage range : 7.0 ± 0.5V < V < 9.5 ± 0.5V Max. current : I < 40A Max. leakage current : I < 0.25mA |
| 1 | 2 | POS. BATTERY 2.(MOTOR) | Operating voltage range: 10.0 ± 0.5V < V < 16.0 ± 0.5V Rush current : I < 110A Max current : I < 40A Max leakage current : I < 0.25mA |
| 38 | 46 | GROUND | Rated current : I <550mA Max. current: I < 40A |
| 13 | 45 | PUMP MOTOR GROUND | Rush current : I < 110A (Standard), I < 140A (Premium) Max current : I < 40A (Standard), I < 60A (Premium) |
| 11 | 16 | SENSOR GROUND | Rated current : I <250mA |
| 4 | 17 | SENSOR POWER | Max current Capability : I < 250mA Max voltage : V_BAT1 -0.8V |
| 23 | 34 | BRAKE LIGHT SWITCH | Input voltage (Low) : V < 2V Input voltage (High) : V > 6V |
| 10 | 18 | ESP ON/OFF SWITCH | Max. Input current : I < 3mA (@12.8V) |
| 9 | 32 | PARKING BRAKE SWITCH | Input voltage (Low) : V < 2V |
| Input voltage (High) : V > 6V | |||
| Max input current : I < 5mA (@12.8V) | |||
| 28 | 27 | FRONT RIGHT WHEEL SPEED OUTPUT | External pull up resistance : 1 Kx < R |
| 17 | 41 | REAR RIGHT WHEEL SPEED OUTPUT | Output duty :50 ± 20% |
| 14 | 15 | CAN BUS LINE(LOW) | Max. Input current : I < 10mA |
| 26 | 14 | CAN BUS LINE(HIGH) | |
| 18 | 4 | SENSOR FRONT LEFT POWER | Output voltage : V_BAT1 -0.6V ~ V_BAT1 -1.1V Output current : Max 30mA |
| 34 | 5 | SENSOR FRONT RIGHT POWER | |
| 19 | 7 | SENSOR REAR LEFT POWER | |
| 33 | 6 | SENSOR REAR RIGHT POWER | |
| 31 | 9 | SENSOR FRONT LEFT SIGNAL | Input current LOW : 5.9 ~ 8.4mA Input current HIGH : 11.8 ~ 16.8mA Frequency range : 1 ~ 2500Hz Input duty : 50 ± 10% |
| 21 | 10 | SENSOR FRONT RIGHT SIGNAL | |
| 32 | 12 | SENSOR REAR LEFT SIGNAL | |
| 20 | 11 | SENSOR REAR RIGHT SIGNAL | |
| 12 | 42 | CAN SENSOR LINE (HIGH) | Max. input current : I < 10mA |
| 24 | 43 | CAN SENSOR LINE (LOW) | |
| 8 | 39 | HAC RELAY DRIVE | Max. Current : I< 180mA Max.Output Low Voltage : V< 1.2V |
| 36 | 19 | RELAY STATE MONITORING | Input voltage (Low) : V < 2V Input voltage (High) : V > 6V Max. Input current : I < 10mA (@ 12.8V) |
Description and Operation
TroubleshootingTrunk Lid Control Button
When the trunk lid control button is ON (depressed), the power trunk can be controlled
with the power trunk main control button, power trunk open, close button, and the
smart key.
When this t ...
General Safety Information and Caution
Instructions
When Handling Refrigerant
1.
R-134a liquid refrigerant is highly volatile. A drop on the
skin of your hand could result in localized frostbite. When handling the
refrigerant, be ...
Tire specification and pressure label
The tires supplied on your new vehicle are chosen to provide the best performance
for normal driving.
The tire label located on the driver's side center pillar gives the tire pressures
re ...